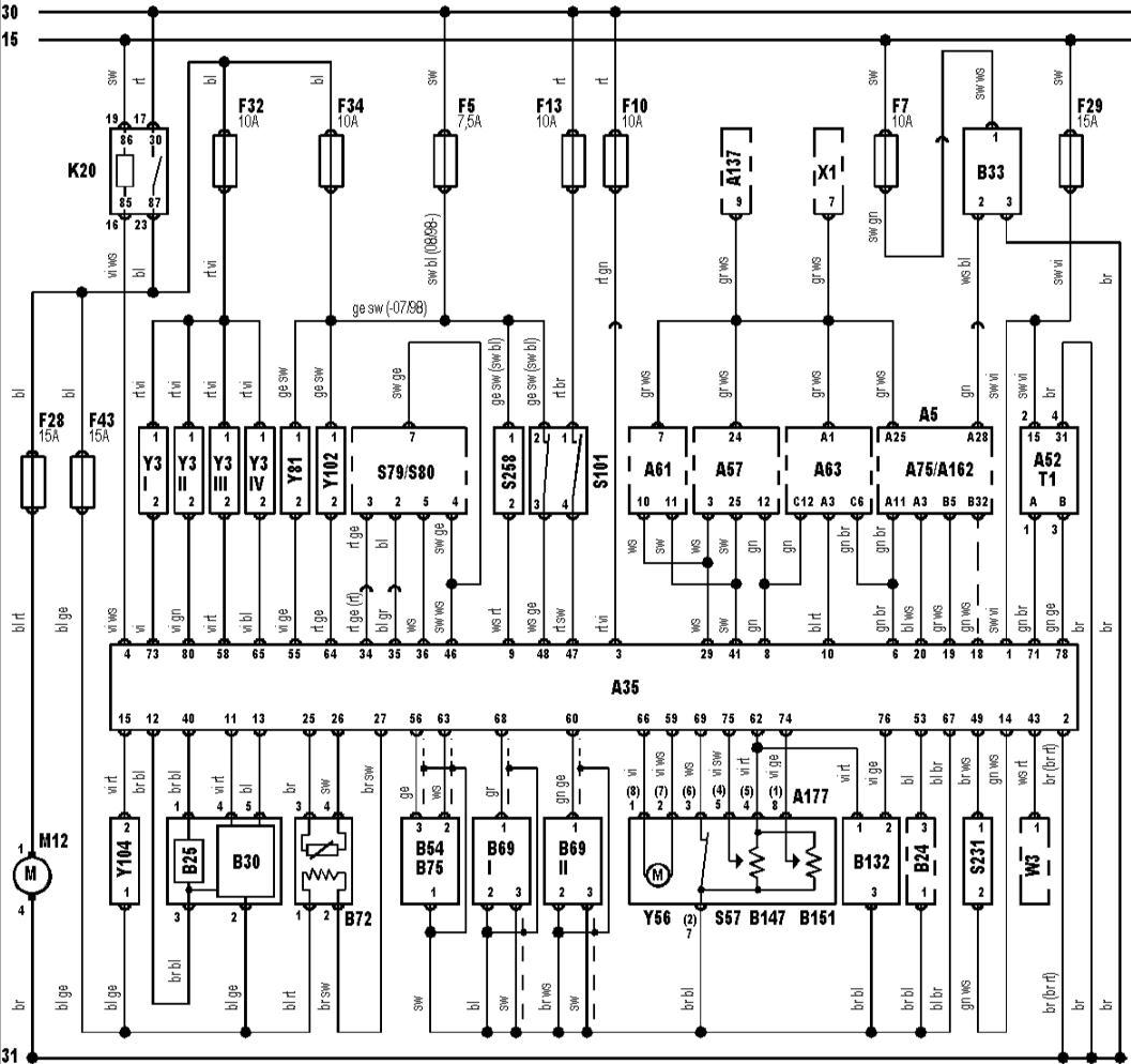
Audi A3: Система управления двигателем 1.8 л без турбокомпрессора
Система управления
двигателем 1.8 л без турбокомпрессора
Система управления двигателем 1.6 л
Система управления двигателем 1.6 л ...
Система управления двигателем 1.8 л с турбокомпрессором
Система управления
двигателем 1.8 л с турбокомпрессором ...
Другое на сайте:
Антифриз – средство защиты от замерзания
ОБЩИЕ СВЕДЕНИЯ
Система охлаждения двигателя в течение всего года заполнена смесью воды с антифризом
и коррозионно–защитными компонентами AUDI. Эта смесь препятствует замерзанию и коррозии
элемент ...
Снятие и установка поддона картера
ОБЩИЕ СВЕДЕНИЯ
Для уплотнения поддона картера используется обычный герметик, например, Loctite.
Предупреждение Не наносите слишком много герметика, будьте особо осторожным рядом
с отверстиями бол ...
Проверка состояния батареи, уход за ней и зарядка
ОБЩИЕ СВЕДЕНИЯ
Инструменты и
материалы, необходимые для ухода за батареей 1 лицевой щиток/защитные очки –
при удалении щеткой следов коррозии частицы кристаллизовавшейся кислоты легко могут
по ...
