Nissan Sunny: Селектор
ОБЩИЕ СВЕДЕНИЯ

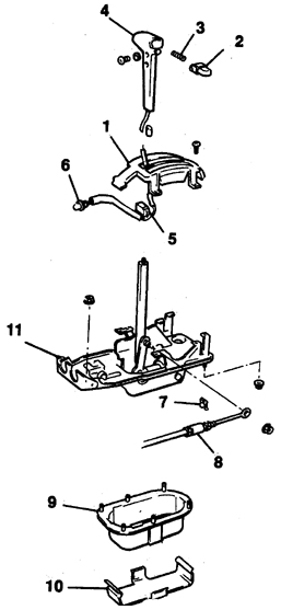
Детали селектора
1. Накладка с указанием положения селектора
2. Кнопка
3. Пружина
4. Рукоятка
5. Разъем
6. Контрольная лампа
7. Скоба оболочки троса
8. Трос
9. Крышка
10. Скоба
11. Механизм селектора в сборе
Снятие
ПОРЯДОК ВЫПОЛНЕНИЯ
1. Поднимите переднюю часть автомобиля и установите на подставки.
2. Переведите селектор в положение Р.
3. Снимите центральную секцию передней панели.
4. Отверните гайку, достаньте скобу оболочки троса и отсоедините трос от селектора.
5. Отсоедините разъемы от переключателя перегрузки и от контрольной лампы.
6. Отверните винты отожмите кнопку и снимите рукоятку селектора.
7. При необходимости можно снять кнопку и пружину переключателя.
8. Отверните гайки (доступ обеспечивается снизу и изнутри салона) и снимите механизм селектора.
9. Механизм селектора является неразборным агрегатом и ремонту не полежит.
Установка
ПОРЯДОК ВЫПОЛНЕНИЯ
1. Установите механизм селектора и затяните гайки.
2. Установите пружину и кнопку в рукоятку селектора.
3. Поправьте проводку и оденьте рукоятку.
4. Затяните винты и проверьте фиксацию селектора.
5. Присоедините разъемы.
6. Присоедините трос и закрепите оболочку на кронштейне, затяните гайку и вставьте скобу.
7. Отрегулируйте трос селектора и установите центральную секцию передней панели.
Трос управления трансмиссией
ОБЩИЕ СВЕДЕНИЯ
Трос управления
трансмиссией
1. Селектор
2. Крепление троса к полу
3. Пол
4. Трос
5. Кронштейн
6. Кронштейн
7. Гайка оболочки троса
8. Рычаг трансмиссии
Регулировк ...
Трос переключения на пониженную скорость
ОБЩИЕ СВЕДЕНИЯ
ПРИ ПОЛНОМ ОТКРЫТИИ ЗАСЛОНКИ (KICK-DOWN)
Регулировка kick-down-троса
1. Кулачок дроссельной заслонки
2. Кронштейн
3. Оболочка троса
4. Фиксатор
5. Корпус фиксатора троса
...
Другое на сайте:
Боковое вещевое отделение (только для универсала)
БОКОВОЕ ВЕЩЕВОЕ ОТДЕЛЕНИЕ
Боковые вещевые отделения расположены в левой и правой части багажного отделения.
Для открывания бокового вещевого отделения потяните ручку на дверце отделения.
Для зак ...
Сборка головки блока цилиндров
ПОРЯДОК ВЫПОЛНЕНИЯ
Сборку головки блока производят так же, как у бензиновых двигателей рабочим объемом
1,6 и 1,8 л (см. подраздел 2.2.2.4).
Момент затяжки болта крепления зубчатого колеса распредв ...
Датчик скорости автомобиля (VSS)
Датчик скорости автомобиля представляет собой герконовое реле, встроенное в спидометр.
Датчик преобразует данные о скорости автомобиля (частота вращения шестерни коробки
передач) в сигналы (импуль ...
