Audi A3: Снятие и установка переднего сиденья
СНЯТИЕ
ВНИМАНИЕ
Для снятия переднего сиденья с боковой подушкой безопасности необходим переходник VAS 5094.ПОРЯДОК ВЫПОЛНЕНИЯ

1. Сдвиньте вперед сиденье вручную или с помощью электропривода.
2. Снимите заднюю крышку направляющих сиденья со стороны швеллера, обратитесь к подразделу Снятие и установка крышки направляющей сиденья со стороны швеллера.
3. Снимите заднюю крышку направляющих сиденья со стороны туннеля, обратитесь к подразделу Снятие и установка крышки направляющей сиденья со стороны туннеля.
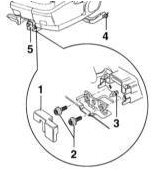
4. Снимите крышку –1–.
5. Выверните винты крепления –2–.
6. Выньте из направляющей зажимы –3–.
7. У автомобилей с электроприводом регулировки сидений. Сместите сиденье полностью вперед или назад.
8. Отсоедините отрицательный кабель (–) аккумуляторной батареи при выключенном зажигании.
ВНИМАНИЕ
ВНИМАНИЕ
: Вследствие этого стирается информация из электронных блоков памяти, как например, код радиоприемника. Без кода радиоприемник может быть включен только изготовителем или СТО AUDI. Поэтому ознакомьтесь с подразделом Ввод кода радиоприемника.
9. Автомобили с обогревом сидений: Расстыкуйте разъем обогрева и электропривода сидений.
10. Автомобили с боковыми подушками безопасности: Расстыкуйте разъем боковой подушки безопасности и определения положения сиденья и присоедините переходник VAS
5094.
ВНИМАНИЕ
: Перед расстыковкой штекерного соединения боковой подушки снимите электростатический заряд, для чего коснитесь защелки двери или кузова. Переходник подушки должен оставаться присоединенным до тех пор, пока сиденье снова не будет установлено, обратитесь к подразделу Подсоединение перемычки проводки подушки безопасности.11. Снимите напольный коврик в районе направляющей шины.
12. Сместите сиденье назад из направляющей.
УСТАНОВКА
ПОРЯДОК ВЫПОЛНЕНИЯ
1. Вставьте сиденье сзади в направляющую шину так, чтобы оно передним ползуном –5– и задними роликами –4– полностью находилось в направляющей.
2. Если механизм регулировки сиденья имеет тяжелый ход, смажьте консистентной смазкой ползун.
3. При необходимости состыкуйте разъем обогрева и регулировки сиденья.
4. При необходимости, отсоедините переходник VAS
5094. Присоедините разъем боковой подушки безопасности и определения положения сиденья. При этом следите за тем, чтобы выступ на штекере находился вверху.
5. Сожмите зажим –3– и затяните винты –2– моментом 23 Н.м.
6. Установите крышку –1–. Обратите
ВНИМАНИЕ
на указание в подразделе Регулировка света фар.7. Установите крышки направляющих со стороны сиденья и швеллера, обратитесь к подразделам Снятие и установка крышки направляющей сиденья со стороны швеллера и Снятие и установка крышки направляющей сиденья со стороны туннеля.
8. Включите зажигание.
9. Закройте двери.
10. Присоедините отрицательный кабель (–) к аккумуляторной батареи.
ВНИМАНИЕ
Введите код магнитолы, отрегулируйте электрический стеклоподъемник, установите часы, подраздел Ввод кода радиоприемника.
Снятие и установка облицовки замка крышки багажника
СНЯТИЕ
ПОРЯДОК ВЫПОЛНЕНИЯ
1. Отверните винты крепления и снимите проушины.
2. Выверните 4 винта крепления –2–.
3. Выньте облицовку замка крышки багажника –3– вверх.
УСТАНОВКА
ПОРЯДОК ...
Снятие и установка крышки переднего сиденья
СНЯТИЕ
ПОРЯДОК ВЫПОЛНЕНИЯ
1. Снимите вперед крышку –1– в районе зажимов –2–.
2. Потяните крышку –1– в направлении стрелки (А) и снимите. УСТАНОВКА
ПОРЯДОК ВЫПОЛНЕНИЯ
1. Соедините крышк ...
Другое на сайте:
Боковое вещевое отделение (только для универсала)
БОКОВОЕ ВЕЩЕВОЕ ОТДЕЛЕНИЕ
Боковые вещевые отделения расположены в левой и правой части багажного отделения.
Для открывания бокового вещевого отделения потяните ручку на дверце отделения.
Для зак ...
Сборка головки блока цилиндров
ПОРЯДОК ВЫПОЛНЕНИЯ
Сборку головки блока производят так же, как у бензиновых двигателей рабочим объемом
1,6 и 1,8 л (см. подраздел 2.2.2.4).
Момент затяжки болта крепления зубчатого колеса распредв ...
Датчик скорости автомобиля (VSS)
Датчик скорости автомобиля представляет собой герконовое реле, встроенное в спидометр.
Датчик преобразует данные о скорости автомобиля (частота вращения шестерни коробки
передач) в сигналы (импуль ...
