Audi A3: Правый подрулевой переключатель, стеклоочиститель и омыватель, очиститель заднего
стекла
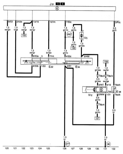
Правый подрулевой
переключатель, стеклоочиститель и омыватель, очиститель заднего стекла
Регулятор освещения выключателей и приборов управления, регулировки дальности
света, стеклоочистителя и омывателя, регулировки дальности света (не относится к
системе Motronic турбодвигателя 1.8 л
Регулятор освещения
выключателей и приборов управления, регулировки дальности света, стеклоочистителя
и омывателя, регулировки дальности света (не относится к системе Motronic турбодвигателя
1. ...
Габаритные огни, стоп-сигналы, фонари заднего хода, туманные фонари
Габаритные огни,
стоп-сигналы, фонари заднего хода, туманные фонари ...
Другое на сайте:
Регулировка зеркал - электрическое складное зеркало
ЭЛЕКТРИЧЕСКОЕ СКЛАДНОЕ ЗЕРКАЛО*
Для складывания наружных зеркал заднего вида к боковинам кузова нажмите кнопку
электрического складного зеркала.
Складывание зеркал осуществляется при включенном ...
Система контроля над выделением паров топлива из топливной системы
ОБЩИЕ СВЕДЕНИЯ
МОДЕЛИ С КАРБЮРАТОРНЫМ ДВИГАТЕЛЕМ
Идентификация
соединений шлангов угольного фильтра
Проверка
ПОРЯДОК ВЫПОЛНЕНИЯ
1. Если Вы считаете, что система неисправна, отсоедините шланги ...
Заднее сиденье - Шарнирные петли неразрезной спинки заднего сиденья
Снять или отсоединит.
ПОРЯДОК ВЫПОЛНЕНИЯ.
1. Снять крепления коврика за спинкой сиденья..
2. Вынуть шплинт из шарнира..
3. Наружный вкладыш шарнира (вынимается движением внутрь)..
4. Опорный шип ...
