Audi A3: Дополнительная установка радиотелефона на специальным образом подготовленные
модели
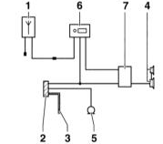
Структурная схема
подключения интерфейсного модуля для телефона 1 – антенна для телефона и радиоприемника.
Присоединительный штекер находится под передней центральной консолью. 2 – разъем
VDA для прибора управляющей электроники (интерфейсного модуля). Штекер находится
под задней центральной консолью. 3 – источник питания для телефона. 4 – громкоговоритель
в двери водителя. 5 – микрофон телефона, в стойке А слева. 6 – радиоприемник. 7
– реле переключения громкоговорителя радиоприемник/телефон. Реле находится на держателе
реле позади облицовки панели приборов со стороны водителя.
У моделей, специально подготовленных для этого, может быть установлен телефон (радиотелефон).
Для применения телефона в AUDI A3 необходима собственная управляющая электроника, так называемый интерфейсный модуль. Он обеспечивает связь между радиотелефоном и компонентами, установленными в автомобиле через разъем VDA.
Серийный телефон AUDI соединяется с указанным штекерным соединением VDA через специальный интерфейсный модуль.
Какие интерфейсные модули могут применяться для телефонов других производителей, необходимо выяснить у этих производителей. Интерфейсные модули без штекерного соединения VDA требуют соответствующего адаптера (например, Votex).
Снятие и установка антенны крыши
Антенна крыши
1 – антенна 2 – крышка основания антенны 3 – разъем провода антенны 4 – разъем (радиоприемник)
5 – основание антенны радиоприемника/телефона 6 – гайка 7 – уплотнение основания
ант ...
Снятие и установка электродвигателя переднего стеклоочистителя
СНЯТИЕ
ПОРЯДОК ВЫПОЛНЕНИЯ
1. Снимите рычаги очистителя, обратитесь к подразделу Снятие и установка, проверка
и регулировка конечного положения рычагов стеклоочистителя.
2. Снимите обогрев ветр ...
Другое на сайте:
Система контроля над выделением паров топлива из топливной системы
ОБЩИЕ СВЕДЕНИЯ
МОДЕЛИ С КАРБЮРАТОРНЫМ ДВИГАТЕЛЕМ
Идентификация
соединений шлангов угольного фильтра
Проверка
ПОРЯДОК ВЫПОЛНЕНИЯ
1. Если Вы считаете, что система неисправна, отсоедините шланги ...
Регулировка зеркал - электрическое складное зеркало
ЭЛЕКТРИЧЕСКОЕ СКЛАДНОЕ ЗЕРКАЛО*
Для складывания наружных зеркал заднего вида к боковинам кузова нажмите кнопку
электрического складного зеркала.
Складывание зеркал осуществляется при включенном ...
Заднее сиденье - Шарнирные петли неразрезной спинки заднего сиденья
Снять или отсоединит.
ПОРЯДОК ВЫПОЛНЕНИЯ.
1. Снять крепления коврика за спинкой сиденья..
2. Вынуть шплинт из шарнира..
3. Наружный вкладыш шарнира (вынимается движением внутрь)..
4. Опорный шип ...
