Toyota Corolla: Система зажигания

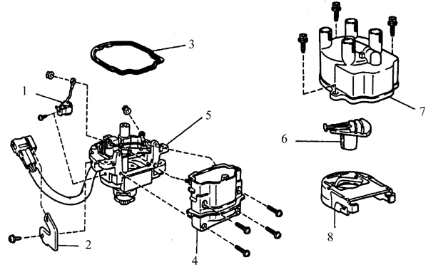
Детали бесконтактной системы зажигания с внешним электронным блоком
1. Конденсатор
2. Кронштейн крепления проводки
3. Прокладка
4. Катушка зажигания
5. Корпус распределителя в сборе
6. Бегунок
7. Крышка распределителя зажигания
8. Противопылевой чехол катушки зажигания

Детали бесконтактной системы зажигания с встроенным электронным блоком
1. Прокладка
2. Конденсатор
3. Крнштейн крепления проводки
4. Блок электронного зажигания
5. Крышка распределителя
6. Корпус распределителя в сборе
7. Противопылевой чехол катушки зажигания
8. Каушка зажигания
9. Провод распределителя
10. Бегунок
Автомобили, рассматриваемые в настоящем Руководстве, оборудованы двумя типами
систем зажигания – система с внешним электронным блоком и система с внутренним блоком
зажигания. Последние отличаются тем, что электронный блок зажигания (коммутатор)
встроен в корпус распределителя зажигания. На обеих системах катушка зажигания смонтирована
внутри распределителя.
В систему электронного зажигания входят:
– замок зажигания;
– батарея;
– блок электронного зажигания;
– индукционный датчик;
– катушка зажигания;
– провода низковольтной (первичной) цепи и высоковольтной (вторичной) цепи;
– распределитель зажигания и свечи зажигания.
Работой системы зажигания управляет электронный процессорный блок (ЕСМ-блок). ЕСМ-блок
обеспечивает автоматическую регулировку угла опережения зажигания в соответствии
с сигналами от датчиков, которые отслеживают различные параметры двигателя (такие
как число оборотов, объем засасываемого воздуха, температура охлаждающей жидкости
и др.). Такая система называется системой зажигания с электронным управлением моментом
зажигания (системой ESA).
Бесконтактные системы зажигания подразделяются на две группы – системы с встроенным
электронным блоком зажигания и системы с внешним электронным блоком (см. рис. Детали
бесконтактной системы зажигания с внешним электронным блоком и рис. Детали бесконтактной
системы зажигания с встроенным электронным блоком). Перед заменой любой детали системы
зажигания убедитесь, что все проверки выполнены в полном объеме и что именно данную
деталь надо заменить. Это связано с высокой стоимостью деталей, а также с тем, что
возврату они как правило не подлежат.
* При выполнении проверок и ремонта системы зажигания следует соблюдать следующие
правила безопасности:
– при отказе пуска двигателя не оставляйте зажигание включенным на время большее
10 минут;
– подключайте тахометр в соответствии с инструкцией изготовителя (перед приобретением
тахометра проконсультируйтесь в службе автосервиса дилера);
– не допускайте касания выводов катушки зажигания с массой (в противном случае возможен
выход из строя блока электронного зажигания и катушки);
– запрещается отключать батарею от массы на работающем двигателе;
– постоянно следите за тем, чтобы блок электронного зажигания был надежно соединен
с массой.
Проверка
* Система зажигания вырабатывает очень высокое напряжение, поэтому, при выполнении работ следует соблюдать особую осторожность. Потенциальную опасность представляют не только блок электронного зажигания, катушка, распределитель и высоковольтные провода, но и такие вспомогательные детали как наконечники высоковольтных проводов, тахометр, и другие контрольно-измерительные приборы.
ПОРЯДОК ВЫПОЛНЕНИЯ
1. Если двигатель не запускается, а стартер энергично проворачивает коленвал, то
отсоедините высоковольтные провода от свеч и подключите к ним калиброванный разрядник
для проверки зажигания (имеется в продаже). Соедините один из выводов разрядника
с болтом или металлическим кронштейном на двигателе. При отсутствии испытательного
разрядника отсоедините провод от одной из свеч, отведите изолирующий наконечник
и зафиксируйте провод изолированным инструментом на расстоянии около 6,0 мм от оголенного
участка массы.
2. Проверните коленвал стартером и следите за разрядником или проводом свечи. Должна
появиться интенсивная искра голубого цвета.
3. Если искра имеется, то на свечи подается необходимое напряжение (проверьте остальные
провода, чтобы убедиться в исправности крышки распределителя и бегунка). Выверните
свечи и проверьте их (см. подраздел 2.8.2).
4. Если искра отсутствует, или искрообразование неустойчивое, то снимите крышку
распределителя и проверьте состояние крышки и бегунка (подраздел 2.8.3). При обнаружении
влаги протрите насухо крышку и бегунок, установите крышку на место и повторите проверку.
5. Если искр по прежнему нет, то отсоедините от крышки распределителя высоковольтный
провод катушки зажигания и подключите провод к испытательному разряднику (провод
свечи установите на место). Повторите испытания. При отсутствии разрядника зафиксируйте
провод катушки изолированным инструментом на расстоянии около 6,0 мм от оголенного
участка массы.
6. Если искра появилась, то причиной может быть неисправность крышки распределителя
или бегунка.

7. При отсутствии искры проверьте всю проводку первичной цепи катушки зажигания,
убедитесь в чистоте и надежности соединений. Проверьте поступает ли напряжение на
катушку от ключа зажигания. Проверьте катушку зажигания (см. подраздел 3.3.5) и
индукционный датчик распределителя (см. подраздел 3.3.9). Выполните необходимый
ремонт и повторите испытание.
8. Если искра по прежнему отсутствует, то замените провод соединяющий катушку зажигания
и крышку распределителя (проверьте сопротивление провода и сравните с нормативным
значением, указанным в подразделе 2.1). Если замена провода на заведомо исправный
не дает результата, то неисправен электронный блок зажигания.

9. Проверьте подается ли напряжение от батареи на электронный блок при включении зажигания. Если напряжение отсутствует, то замените электронный блок (см. подраздел 3.3.8).
Силовые кабели
Проверка
ПОРЯДОК ВЫПОЛНЕНИЯ
1. Периодически проверяйте кабели по всей длине, повреждение, растрескивание
или прогорание изоляции кабелей, а также коррозия не допускаются. Ненадежное соединение
...
Катушка зажигания
Проверка
ПОРЯДОК ВЫПОЛНЕНИЯ
1. Отсоедините батарею от массы.
2. Снимите пластмассовый колпак катушки.
3. Отверните два болта крепления разъема катушки и подключите щупы омметра.
4. С помощь ...
Другое на сайте:
Неисправности и самостоятельная диагностика
Блок управления системы впрыска может распознавать и записывать в памяти часть
неисправностей, возникающих во время эксплуатации двигателя. Данные накопителя неисправностей
считываются с помощью с ...
Ступица переднего колеса и поворотный кулак - проверка, сборка
ПРОВЕРКА
1. Проверьте ступицу на отсутствие трещин и шлицы ступицы на отсутствие чрезмерного
износа.
2. Проверьте тормозной диск на отсутствие задиров и повреждений.
3. Проверьте поворотный кула ...
Элементы системы впрыска топлива (двигатели объемом 2,0 л)
ОБЩИЕ СВЕДЕНИЯ
На автомобилях с двигателем объемом 2,0 литра, модель автомобиля ("Phase I" или
"Phase II") можно определить по форме впускного коллектора.На моделях "Phase ...
