Daewoo Nexia: Звуковой и световые сигналы
ОБЩИЕ СВЕДЕНИЯ.
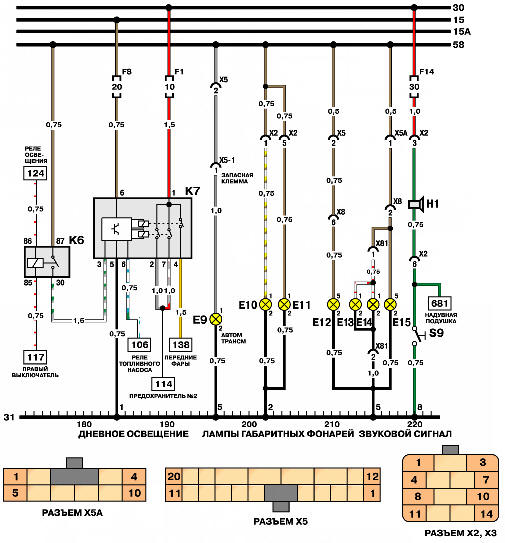
Е9 Лампа подсветки селектора диапазонов автоматической трансмиссии.
Е10 Лампа переднего габаритного фонаря (левого).
Е11 Лампа переднего габаритного фонаря (правого).
Е12 Лампа заднего габаритного фонаря (левого).
Е13 Лампа фонаря освещения номерного знака.
Е14 Лампа фонаря освещения номерного знака.
Е15 Лампа заднего габаритного фонаря (правого).
КБ Реле дневного освещения.
S9 Выключатель звукового сигнала

Звуковой и световые сигналы
Приборы освещения
ОБЩИЕ СВЕДЕНИЯ.
Е1 Лампа дальнего света (левая фара).
Е2 Лампа ближнего света (левая фара).
ЕЗ Лампа дальнего света (правая фара).
Е4 Лампа ближнего света (правая фара).
КЗ Реле включения освещен ...
Освещение салона, багажника, прикуриватель, часы
ОБЩИЕ СВЕДЕНИЯ.
Е16 Лампа подсветки (прикуриватель).
Е17 Лампа подсветки (пепельница).
Е18 Лампа освещения багажника.
Е18-1 Лампа освещения багажника (автомобили с 5-дверным кузовом).
Е19 Лампа о ...
Другое на сайте:
Поиск неисправностей по диагностическим кодам - код неисправности P0130/P0136
ПРИНЦИП РАБОТЫ И НАЗНАЧЕНИЕ
Электронный блок управления двигателем использует сигнал кислородного датчика
для поддержания состава воздушнотопливной смеси около отношения, при котором достигается ...
Система зажигания, топливные форсунки (ЭБУ типа IEFI-S)
ОБЩИЕ СВЕДЕНИЯ.
К1 ЭБУ.
11 Катушка зажигания.
Y1 Блок зажигания.
Y2 Распределитель зажигани.
Y3 Топливные форсунки
Система зажигания, топливные форсунки (ЭБУ типа IEFI-S) ...
Блок цилиндров
ОБЩИЕ СВЕДЕНИЯ
Обозначение размерных
групп цилиндров и коренных подшипников коленвала А. Обозначение размерных групп
цилиндров В. Обозначение размерных групп коренных подшипников коленвала
Очис ...
