Nissan Sunny: Зубчатый ремень
ОБЩИЕ СВЕДЕНИЯ

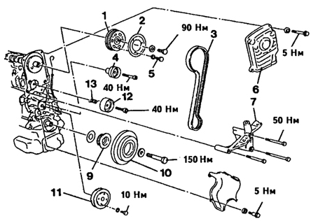
Привод распредвала
1. Передняя шестерня распредвала
2. Боковая пластина
3. Зубчатый ремень
4. Промежуточный ролик
5. Болт крепления, 7 Н.м. (вставьтес обычным зашитным средством)
6. Верхний кожух зубчатого ремня
7. Центральный элемент кожухазубчатого ремня
9. Шестерня коленвала
10. Ременный шкив коленвала
11. Ременный шкив насоса системы охлаждения
12. Натяжной ролик
13. Возвратная пружина

Привод топливного насоса высокого давления ТНВД
1. Зубчатый ремень
2. Пружина
3. Натяжной ролик
4. Сегментная шпонка
5. Кожух зубчатого ремня
6. Шестерня ТНВД
7. Задняя шестерня распредвала
ПРИВОД РАСПРЕДВАЛА Снятие
ПОРЯДОК ВЫПОЛНЕНИЯ
1. Отсоедините кабель массы от батареи.
Предупреждение В результате этого стирается электронная память, например, код радиоприемника. Перед отключением батареи следует прочесть указания в подразделе 7.
2.
2. Отвинтите крышку головки цилиндров.
3. Установите поршень 1-го цилиндра в положение ВМТ.
4. Для этого установите коробку передач на нейтраль и затяните ручной тормоз.
5. Проверните коленвал за центральный болт в направлении вращения двигателя (по часовой стрелке), чтобы засечка на ременном шкиве коленвала находилась напротив стрелки на блоке двигателя.
6. В то же время распредвал должен стоять так, чтобы кулачки 1-го цилиндра были обращены вверх.
7. В противном случае проверните коленвал на 1 оборот вперед по направлению вращения двигателя.
8. Вторая возможность вращения коленвала: поднимите переднюю часть автомобиля с одной стороны, включите 5-ю передачу и проверните колесо рукой.
9. Поднимите двигатель домкратом с прокладкой, чтобы освободить переднюю опору двигателя.
10. Отвинтите переднюю встроенную консоль двигателя.
11. Снимите клиновой ремень генератора.
12. Если есть, снимите клиновой ремень сервонасоса и компрессора кондиционера.
Предупреждение После того как двигатель будет установлен в положение ВМТ, заглушите передачу и еще раз проверьте совпадает ли метка на ременном шкиве коленвала со стрелкой на блоке двигателя, при необходимости откорректируйте. Если метки совпадают, ни в коем случае не измените установку двигателя.
13. Отвинтите ременный шкив водяного насоса.
14. Заблокируйте двигатель и отвинтите болт крепления ременного шкива коленвала.
15. Для блокирования двигателя включите 5-ю передачу и попросите ассистента нажать педаль тормоза.
16. Снимите шкив коленвала обычным съемником.
Предупреждение Крюки съемника должны зацепляться только за обратную сторону ременного шкива.
17. Снимите верхний и нижний кожух зубчатого ремня.
18. Если опять будет использоваться старый ремень, то его следует пометить. На ремне следует нанести стрелку фломастером, указывающую направление вращения. Двигатель вращается по часовой стрелке.

19. Поверните болт натяжного ролика с помощью ключа под внутренний шестигранник – направление стрелки (1), а натяжной ролик с помощью второго ключа (2) против часовой стрелки, пока зубчатый ремень не будет ослаблен. Затяните обратно болт натяжного ролика.
20. Отвинтите боковую пластину от шестерни распредвала.
21. Отвинтите промежуточный ролик.
22. Снимите зубчатый ремень с шестерней коленвала.
Предупреждение Не изменяйте больше положение ВМТ распределительного и коленчатого валов. Если нужно поверните распредвал при снятом зубчатом ремне, следите, чтобы коленвал не находился в положении ВМТ (иначе существует опасность повреждения клапанов и поршней). Для этого пометьте положение шестерни коленвала (нанесите цветную метку на шестерню коленвала и на блок цилиндров). Затем поверните шестерню коленвала на 1/4 оборота (90°) вперед или назад. Установка
ПОРЯДОК ВЫПОЛНЕНИЯ
1. Проверьте состояние зубчатого ремня.
2. Проверьте натяжитель ремня на ржавчину, повреждения и легкость хода.
3. Если была снята, установите боковую пластину шестерни коленвала, чтобы скошенная часть была обращена к двигателю.
4. Убедитесь, что распределительный и коленчатый валы находятся в положении ВМТ поршня 1-го цилиндра. Сегментная шпонка коленвала в положении ВМТ указывает вертикально вверх.
5. Привинтите промежуточный ролик с усилием 40 Н.м.
6. Установите зубчатый ремень с шестерней коленвала. При этом учитывайте нанесенную при снятии метку направления вращения. Бывший в употреблении ремень должен вращаться только в ту же сторону, что и раньше.
7. Затяните ременный шкив коленвала с усилием 150 Н.м.
8. Для удержания включите 5-ю передачу и попросите ассистента нажать педаль тормоза.

9. Совместите белый штрих на зубчатом ремне с меткой на шестерне распредвала и коленвала (С). Метки (В) на зубчатом ремне отстоят на 43 зуба (размер А).
10. Стрелка на зубчатом ремне должна указывать в сторону кожуха.
11. Привинтите боковую пластину шестерни распредвала с усилием 7 Н.м. Предварительно покройте болты защитным средством "Loctite".
12. Ослабьте зажимной болт натяжителя ремня, чтобы натяжитель нажал ремень.
13. Проверните коленвал на 2 оборота по часовой стрелке, при этом натяжитель придаст ремню правильное натяжение.

14. Перед окончанием 2-го оборота, вставьте плоский щуп (1) сверху, стрелка между зубчатым ремнем (3) и промежуточной шестерней (2). Размеры щупа: ширина – 12,5 мм, длина – 150 мм, толщина – 0,3 мм.
15. Затяните зажимной винт натяжного ролика с усилием 40 Н.м, при этом удерживая ролик от проворачивания ключом, иначе может уменьшиться натяжение ремня.
16. Еще раз проверьте положение ВМТ распределительного и коленчатого валов. Все метки ВМТ при натянутом, зубчатом ремне должны совпадать одновременно, при необходимости повторите регулировку.
17. Немного поверните коленвал против часовой стрелки и вытащите щуп.
18. Привинтите нижний и верхний кожух с усилием 5 Н.м.
19. Привинтите шкив коленвала за центральный болт с усилием 120 Н.м.
20. Для фиксации коленвала включите 5-ю передачу и попросите ассистента нажать педаль тормоза.
21. Привинтите ременный шкив насоса системы охлаждения с усилием 10 Н.м.
22. Установите клиновый ремень.
23. Привинтите крышку головки цилиндров.
24. Привинтите ременной шкив насоса системы охлаждения.
25. Привинтите переднюю встроенную консоль двигателя.
26. Присоедините кабель массы батареи.
ПРИВОД ТНВД Снятие
ПОРЯДОК ВЫПОЛНЕНИЯ
1. Установите поршень цилиндра 1 в положение ВМТ.
2. Снимите воздушный канал с воздушным фильтром.
3. Отвинтите кожух зубчатого ремня.

4. Ослабьте гайку натяжного ролика изогнутым накидным ключом и отожмите натяжной ролик отверткой в направлении стрелки, пока зубчатый ремень не ослабится.
5. Затяните обратно гайку натяжного ролика.
Предупреждение Для защиты натяжного ролика оберните отвертку материей.
6. Снимите ремень.
Предупреждение Не измените при снятом зубчатом ремне положение ВМТ распределительного вала и шестерни ТНВД. Установка
ПОРЯДОК ВЫПОЛНЕНИЯ
1. Проверьте состояние зубчатого ремня.
2. Проверьте натяжитель ремня на ржавчину, повреждения и легкость хода.
3. Убедитесь, что распредвал и ТНВД находятся в положении ВМТ поршня 1-го цилиндра.
4. Установите зубчатый ремень.

5. Совместите белые штрихи на ремне с метками на шестерне распредвала и шестерне ТНВД (С). Метки (В) на ремне отстоят на расстояние А – 23 зубца.
6. Стрелка на зубчатом ремне должна быть обращена в сторону кожуха.
7. Ослабьте зажимную гайку натяжного ролика, чтобы натяжитель надавил на ремень.
8. Проверните коленвал на 2 оборота по часовой стрелке, при этом натяжитель придаст зубчатому ремню правильное натяжение.
Предупреждение Не поворачивайте двигатель за шестерню распредвала, иначе будут перегружены зубчатые ремни.
9. Затяните зажимную гайку натяжного ролика с усилием 20 Н.м, при этом удерживайте натяжной ролик отверткой, иначе натяжение зубчатого ремня может уменьшиться.
10. Еще раз проверьте установку ВМТ распредвала и ТНВД. Все метки ВМТ при натянутом зубчатом ремне должны совпадать одновременно, при необходимости повторите регулировку.
11. Привинтите кожух зубчатого ремня с усилием 5 Н.м.
12. Установите воздушный канал с воздушным фильтром.
Технические характеристики
ОБЩИЕ СВЕДЕНИЯ
Модель CD20 Тип 4-цилиндровый, рядный, с одним распредвалом верхнего
расположения и водяным охлаждением Рабочий объем, см/куб 1974 Диаметр цилиндра,
мм 84,5 ...
Замена прокладки головки цилиндров
ОБЩИЕ СВЕДЕНИЯ
Головка цилиндров
1. Прокладка крышки головки цилиндров (всегда заменяйте)
2. Втулка подшипника
3. Резиновая втулка
4. Крышка коренных подшипников
5. Задний сальник распред ...
Другое на сайте:
Прекращение подачи топлива в режиме принудительного холостого хода (движение
накатом)
Уже упомянутый регулятор давления прекращает подачу топлива, если автомобиль
эксплуатируется в режиме принудительного холостого хода. Блок управления распознает
этот режим по информации «частота в ...
Правила монтажа соединений трубопроводов
ОБЩИЕ СВЕДЕНИЯ.
Резьбовые соединения трубопроводов следует затягивать с определенным моментом.
Недостаточная или излишне сильная затяжка соединений приводит к негерметичности
стыка или деформации ...
Выбор дорожек
Для выбора предыдущей или следующей
дорожки нажмите соответственно левую или правую кнопку 6.
При однократном нажатии левой кнопки 6 начнется повторное воспроизведение сначала
текущей дорожки.
...
