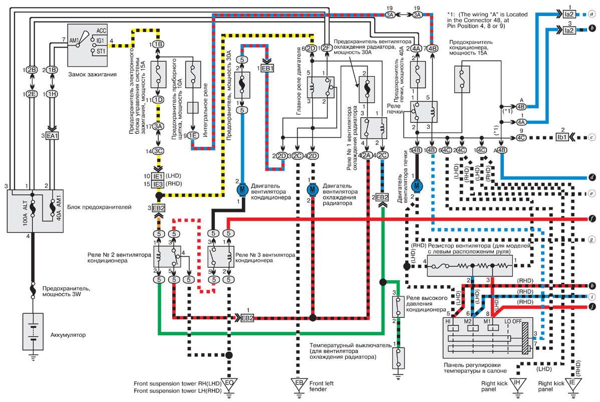
Toyota Corolla: Вентилятор охлаждения радиатора и кондиционера

Вентилятор охлаждения радиатора и кондиционера
Приборы приборного щитка
Приборы приборного щитка ...
Печка
Печка ...
Другое на сайте:
Вал привода переднего колеса (шрус с компенсатором длины (DOJ) и шрус
"Бирфильда" (BJ)) - разборка, проверка
ВАЛ ПРИВОДА ПЕРЕДНЕГО КОЛЕСА (ШРУС С КОМПЕНСАТОРОМ ДЛИНЫ (DOJ) И ШРУС "БИРФИЛЬДА"
(BJ)) - ДЕТАЛИ
РАЗБОРКА
ВНИМАНИЕ
1. Не разбирайте внешний ШРУС "Бирфильда" (BJ).
2. ...
Комбинированный выключатель дальнего и ближнего света
ОБЩИЕ СВЕДЕНИЯ
Смена ближнего света на дальний и обратн
Ближний и дальний свет
Указатели правого и левого поворотов
Для включения освещения поверните кнопку в конце рычага.
Первое положение ...
Силовой агрегат с автоматической трансмиссией
Демонтаж Предупреждение Двигатель может демонтироваться с автомобиля только в
составе силового агрегата (т.е. в сборе с трансмиссией). Силовой агрегат опускается
и достается из под автомобиля. Для ...
