Nissan Sunny: Типовая схема электрооборудования двигателей серии DE
ОБЩИЕ СВЕДЕНИЯ

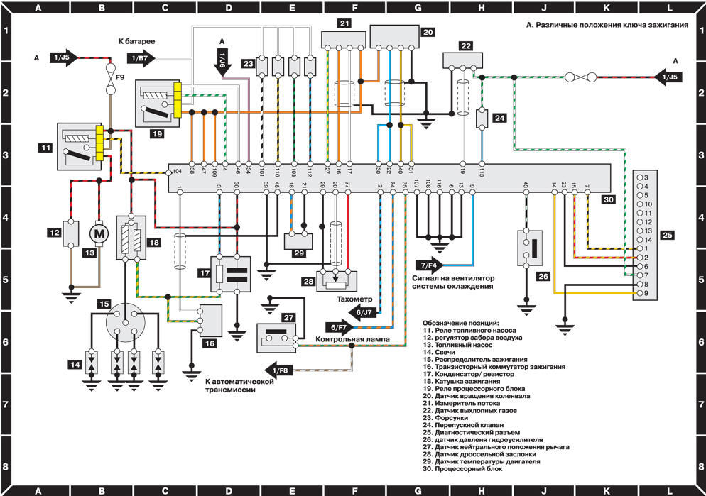
Типовая схема электрооборудования двигателей серии DE
Схемы электрооборудования - Замечания, принятые обозначения, схемы заряда и
пуска двигателя
ОБЩИЕ СВЕДЕНИЯ
Замечания, принятые обозначения, схемы заряда и пуска двигателя ...
Типовая схема электрооборудования двигателей серии DS
ОБЩИЕ СВЕДЕНИЯ
Типовая схема электрооборудования двигателей серии DS ...
Другое на сайте:
Вал привода переднего колеса (шрус с компенсатором длины (DOJ) и шрус
"Бирфильда" (BJ)) - разборка, проверка
ВАЛ ПРИВОДА ПЕРЕДНЕГО КОЛЕСА (ШРУС С КОМПЕНСАТОРОМ ДЛИНЫ (DOJ) И ШРУС "БИРФИЛЬДА"
(BJ)) - ДЕТАЛИ
РАЗБОРКА
ВНИМАНИЕ
1. Не разбирайте внешний ШРУС "Бирфильда" (BJ).
2. ...
Комбинированный выключатель дальнего и ближнего света
ОБЩИЕ СВЕДЕНИЯ
Смена ближнего света на дальний и обратн
Ближний и дальний свет
Указатели правого и левого поворотов
Для включения освещения поверните кнопку в конце рычага.
Первое положение ...
Силовой агрегат с автоматической трансмиссией
Демонтаж Предупреждение Двигатель может демонтироваться с автомобиля только в
составе силового агрегата (т.е. в сборе с трансмиссией). Силовой агрегат опускается
и достается из под автомобиля. Для ...
