Daewoo Nexia: Система смазки
ОБЩИЕ СВЕДЕНИЯ

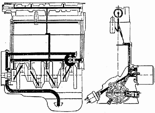
Смазочная система двигателя
Принудительная система смазки включает в.
себя полнопоточный масляный фильтр и.
шестеренный насос. Насос забирает масло из.
поддона, которое проходит через приемный.
сетчатый фильтр, и подает его в систему.
смазки через масляный фильтр. На двигателе.
установлен полнопоточный масляный фильтр.
с картонным фильтрующим элементом..
В системе предусмотрен обходной канал фильтра, по которому масло поступает к.
трущимся деталям двигателя при засорении и увеличении сопротивления масляного фильтра. Из фильтра масло направляется в главную масляную магистраль, из которой отходят масляные каналы коренных подшипников. В шатунах выполнены небольшие.
отверстия, через которые масло разбрызгивается на внутренние стенки цилиндров для.
обеспечения смазки и в поршни для их охлаждения. От главной масляной магистрали отходит вертикальный канал для подвода масла к корпусу распредвала. Масло.
поступает в центральный осевой канал распредвала через радиальное отверстие в шейке третьего подшипника и распределяется к остальным подшипникам. Вертикальный канал связан с верхним продольным масляным каналом, просверленным с левой.
стороны в головке цилиндров. В канале установлен редукционный клапан, который ограничивает давление масла в головке цилиндров. По этому же каналу масло.
поступает к гидрокомпенсаторам зазоров впускных клапанов, а через дополнительный канал – и к гидрокомпенсаторам выпускных клапанов. Кулачки распредвала смазывают ся маслом, поступающим из центрального канала через радиальные сверления в.
кулачках.
Технические характеристики
ОБЩИЕ СВЕДЕНИЯ.
Общие характеристик.
Тип двигателя Рядный, 4-цилиндровый.
Рабочий объем 1,5 л.
Код двигателя в идентификационном номере автомобиля 1.
Диаметр цилиндра 76,5 мм.
Ход поршня 81,5 мм ...
Техническое обслуживание и ремонт двигателя
ОБЩИЕ СВЕДЕНИЯ.
Для исключения возможностей повреждения двигателя и снижения его надежности.
необходимо внимательно изучить и соблюдать приведенные ниже рекомендации..
Запрещается поднимать или опи ...
Другое на сайте:
Регулировка зеркал - электрическое складное зеркало
ЭЛЕКТРИЧЕСКОЕ СКЛАДНОЕ ЗЕРКАЛО*
Для складывания наружных зеркал заднего вида к боковинам кузова нажмите кнопку
электрического складного зеркала.
Складывание зеркал осуществляется при включенном ...
Заднее сиденье - Шарнирные петли неразрезной спинки заднего сиденья
Снять или отсоединит.
ПОРЯДОК ВЫПОЛНЕНИЯ.
1. Снять крепления коврика за спинкой сиденья..
2. Вынуть шплинт из шарнира..
3. Наружный вкладыш шарнира (вынимается движением внутрь)..
4. Опорный шип ...
Система контроля над выделением паров топлива из топливной системы
ОБЩИЕ СВЕДЕНИЯ
МОДЕЛИ С КАРБЮРАТОРНЫМ ДВИГАТЕЛЕМ
Идентификация
соединений шлангов угольного фильтра
Проверка
ПОРЯДОК ВЫПОЛНЕНИЯ
1. Если Вы считаете, что система неисправна, отсоедините шланги ...
