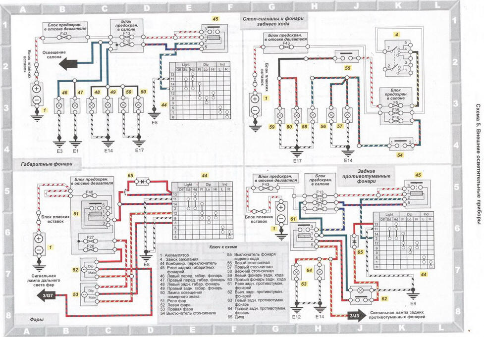
Toyota Carina: Схема 5. Внешние осветительные приборы

Схема 5. Внешние осветительные приборы
Схема 4. Типичная система управления двигателем
Схема 4. Типичная система управления двигателем ...
Схема 6. Внешние осветительные приборы (продолжение) и регулировка положения
фар
Схема 6. Внешние осветительные приборы (продолжение) и регулировка положения
фар ...
Другое на сайте:
Проверка уровня жидкости в автоматической трансмиссии (обслуживание через каждые
15000 км или 6 месяцев)
ПОРЯДОК ВЫПОЛНЕНИЯ
1. Совершите короткую поездку, чтобы прогреть трансмиссионную жидкость до рабочей
температуры, после чего установите автомобиль на ровной площадке. Уровень трансмиссионной
жидк ...
Замена охладителя масла (дизельные двигатели)
ПОРЯДОК ВЫПОЛНЕНИЯ
Детали системы
смазки дизельного двигателя 1 – маслосливная пробка; 2 – уплотнительное кольцо;
3 – масляный картер; 4 – болт крепления картера; 5 – прокладка картера; 6 – ма ...
Проверка величины усилия при повороте рулевого колеса на неподвижном
автомобиле
1. Расположите автомобиль на ровной горизонтальной площадке и установите управляемые
колеса в положении прямолинейного движения.
2. Увеличьте частоту вращения коленчатго вала двигателя до 900 - 110 ...
