Toyota Corolla: Главный цилиндр тормозной системы

Элементы крепления главного цилиндра тормозной системы
Тормозная система без АБС:
1. Тройник
2. Главный цилиндр
3. Прокладка
4. Вакуумный усилитель

Элементы крепления главного цилиндра тормозной системы
Тормозная система с АБС:
1. Разветвление
2. Главный цилиндр
3. Прокладка
4. Вакуумный усилитель

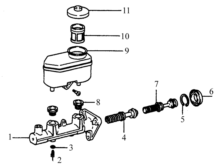
Элементы главного цилиндра тормозной системы
Тормозная система без АБС:
1. Цилиндр
2. Стопорный болт поршня
3. Прокладка
4. Поршень N2 и пружина
5. Разрезное стопорное кольцо
6. Чехол
7. Поршень N1 и пружина
8. Втулка
9. Бачок
10. Фильтр
11. Колпачок

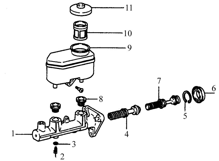
Элементы главного цилиндра тормозной системы
Тормозная система с АБС:
1. Втулка
2. Цилиндр
3. Стопорный болт поршня
4. Прокладка
5. Поршень N2 и пружина
6. Разрезное стопорное кольцо
7. Чехол
8. Поршень N1 и пружина
9. Бачок
10. Фильтр
11. Колпачок
* Перед началом ремонта главного тормозного цилиндра приобретите ремонтный комплект. Если вы решаете ремонтировать цилиндр, осмотрите его внутреннюю поверхность, руководствуясь инструкциями, приведенными в п. 9, перед покупкой запасных частей.
Снятие
ПОРЯДОК ВЫПОЛНЕНИЯ
1. Снимите воздушный фильтр (см. подраздел 5.9).
2. Отсоедините разъем подключения выключателя сигнальной лампочки низкого уровня
тормозной жидкости (стрелкой указана левая крепежная гайка главного цилиндра тормозной
системы).
3. Откачайте из бачка главного цилиндра как можно больше тормозной жидкости.
* Лучше всего тормозную жидкость можно откачать при помощи чистого шприца.
4. Положите тряпки под соединениями и подготовьте колпачки или пластиковые пакеты для того, чтобы закрыть концы трубок после отсоединения.
* Тормозная жидкость вредна для краски. Закройте все детали кузова и постарайтесь не проливать тормозную жидкость при работе.
5. Ослабьте соединения на концах тормозных трубок в тех местах, где они входят
в главный цилиндр (указаны стрелками). Для того, чтобы не сорвать грани, используйте
накидной гаечный ключ.
6. Отведите трубки от главного цилиндра и закройте концы трубок для предотвращения
попадания внутрь грязи или влаги.
7. Открутите три гайки, крепящих главный цилиндр к вакуумному усилителю (см. рис.
Элементы крепления главного цилиндра тормозной системы). Снимите главный цилиндр
с болтов крепления к вакуумному усилителю. Будьте аккуратны и постарайтесь не пролить
тормозную жидкость. Снимите и утилизируйте старую прокладку между главным цилиндром
и вакуумным усилителем.
Переборка
ПОРЯДОК ВЫПОЛНЕНИЯ
1. Перед началом переборки главного цилиндра, приобретите ремонтный набор, который
будет содержать все необходимые запасные части, а также инструкции, которые могут
быть специфичны для вашей модели.
2. Открутите крепежный винт бачка, снимите бачок.
3. После снятия бачка снимите втулки с отверстий главного цилиндра; если они затвердели,
треснули, повреждены или протекают, замените их.
4. Зажмите цилиндр в тисках и при помощи бородка или крестообразной отвертки опустите
поршни на самое дно цилиндра. Удерживая поршни в этом положении, снимите стопорный
болт главного цилиндра.
5. Аккуратно снимите разрезное стопорное кольцо на конце главного цилиндра.
6. Сейчас можно достать внутренние элементы цилиндра (см. рис. Элементы главного
цилиндра тормозной системы). При снятии запоминайте порядок установки элементов,
для того чтобы при сборке их можно было правильно установить.
7. После снятия разрезного стопорного кольца можно снять первый поршень (N1).
8. Достаньте цилиндр из тисков и постучите им по деревянной поверхности так, чтобы
показался второй поршень (N2). Вытаскивайте поршень абсолютно прямо, – если его
повести в сторону, внутренняя проверхность цилиндра может быть повреждена.
* Две пружины цилиндра отличаются между собой, поэтому обратите особенное внимание на положение их установки.
9. Тщательно осмотрите внутреннюю поверхность главного цилиндра. При наличии
глубоких царапин или других повреждений, цилиндр необходимо заменить. Не пытайтесь
восстанавливать внутреннюю поверхность цилиндра.
10. Замените все элементы, включенные в ремонтный набор, следуя инструкциям, которые
прилагаются к набору. Промойте все старые элементы чистящей жидкостью тормозной
системы.
* Не используйте растворители на основе бензина. При сборке смазывайте все элементы чистой тормозной жидкостью.
11. Установите собранные элементы в цилиндр и вдавите их вглубь цилиндра. Затем,
установите стопорный болт.
12. Установите новое разрезное стопорное кольцо, проверив, чтобы оно плотно сидело
в своей канавке.
13. Установите втулки бачка, бачок и крепежный винт.
14. Перед установкой главного цилиндра его необходимо прокачать на рабочем столе.
Поскольку вам придется прилагать давление к поршню главного цилиндра и, в это же
время, контролировать выход тормозной жидкости из каналов цилиндра, главный цилиндр
необходимо установить в тисках так, чтобы губки тисков зажимали крепежный фланец
цилиндра.
15. Закрутите заглушки в отверстия, предназначенные для тормозных трубок на главном
цилиндре так, чтобы они не пропускали воздух, но не слишком сильно, чтобы их можно
было легко открутить.
16. Заполните бачок тормозной жидкостью рекомендуемого типа (см. подраздел 2.1).
17. Открутите одну из заглушек и вдавите поршень в цилиндр для того, чтобы воздух
вышел из цилиндра. Для того, чтобы вдавить поршень вглубь цилиндра можно использовать
большую крестообразную отвертку.
18. Для того, чтобы воздух снова не попал в главный цилиндр, необходимо закрутить
заглушку перед тем, как отпускать поршень.
19. Повторяйте эту операцию до тех пор, пока из отверстия цилиндра не будет идти
чистая тормозная жидкость без пузырьков воздуха. Затем проведите такую же операцию
на соединении второй тормозной трубки. Следите за уровнем тормозной жидкости в бачке
для того, чтобы воздух снова не попал в главный цилиндр.
20. Поскольку при предварительной прокачке главного цилиндра на рабочем столе нет
необходимости прилагать большое давление на поршень, есть другой способ прокачать
цилиндр, не откручивая и закручивая заглушку с каждым ходом поршня. Перед тем, как
надавить на поршень, открутите заглушку, как описано в п.17. Перед тем, как отпустить
поршень, вместо того, чтобы закручивать заглушку, просто плотно закройте отверстие
пальцем для того, чтобы воздух не попал обратно в цилиндр. Подождите несколько секунд,
пока тормозная жидкость из бачка попадет в главный цилиндр, а затем надавите на
поршень снова, убрав палец при выходе тормозной жидкости. Не забудьте снова закрыть
пальцем отверстие перед тем, как отпускать поршень. По завершении прокачки на соединении
одной тормозной трубки, переходите к другому отверстию.
Установка
ПОРЯДОК ВЫПОЛНЕНИЯ
1. Установите главный цилиндр на болты вакуумного усилителя и наживите крепежные
гайки. Не забудьте установить новую прокладку.
2. Установите тормозные трубки на главный цилиндр. Поскольку главный цилиндр еще
не закреплен окончательно, его можно немного подвинуть для того, чтобы правильно
и без перекосов закрутить соединения трубок.
3. Затяните крепежные гайки главного цилиндра до требуемого момента затяжки, указанного
в разделе технических характеристик в начале этой главы. Надежно закрутите соединения
тормозных трубок.
4. Заполните бачок тормозной жидкостью и прокачайте главный цилиндр и тормозную
систему (см. подраздел 9.12). Для того, чтобы прокачать главный цилиндр после того,
как он был установлен на автомобиль, попросите помощника выжать педаль тормоза и
удерживать ее в этом положении. Ослабьте соединение тормозной трубки для того, чтобы
выпустить тормозную жидкость и воздух.
5. Закрутите соединение, затем попросите помощника отпустить педаль тормоза. Повторите
эту операцию на обоих соединениях, пока тормозная жидкость не будет выходить свободной
от пузырьков воздуха. Тщательно проверьте работу тормозной системы перед началом
нормальной эксплуатации автомобиля.
Рабочий цилиндр
* Если необходимо провести переборку рабочего цилиндра (обычно из-за утечки тормозной
жидкости) предварительно узнайте цену запасных частей или стоимость уже восставленного
или нового цилиндра. Пе ...
Тормозные шланги и трубки
Проверка
Примерно каждые шесть месяцев, подняв автомобиль и установив его на опорах, необходимо
проверять резиновые шланги, соединяющие стальные тормозные трубки с передними и
задними тормозами, ...
Другое на сайте:
Двери
Снятие и установка
ПОРЯДОК ВЫПОЛНЕНИЯ
1. Отсоедините батарею от массы.
2. Снимите внутреннюю панель двери (см. подраздел 13.11).
3. Отсоедините все разъемы, обозначьте трассу проводки и достаньт ...
Замена щеток генератора
ПОРЯДОК ВЫПОЛНЕНИЯ
Регулятор напряжения
с щеткодержателем 1 – щетка; 2 – щеткодержатель; 3 – регулятор напряжения; А
– расстояние от края щеток до торца щеткодержателя
Предупреждение Замену щ ...
Впускной коллектор - снятие
ВПУСКНОЙ КОЛЛЕКТОР - КОМПОНЕНТЫ
СНЯТИЕ
1. Снимите шумозащитный кожух двигателя.
2. Отсоедините впускной воздушный шланг от корпуса дроссельной заслонки.
3. Отсоедините трос педали акселер ...
