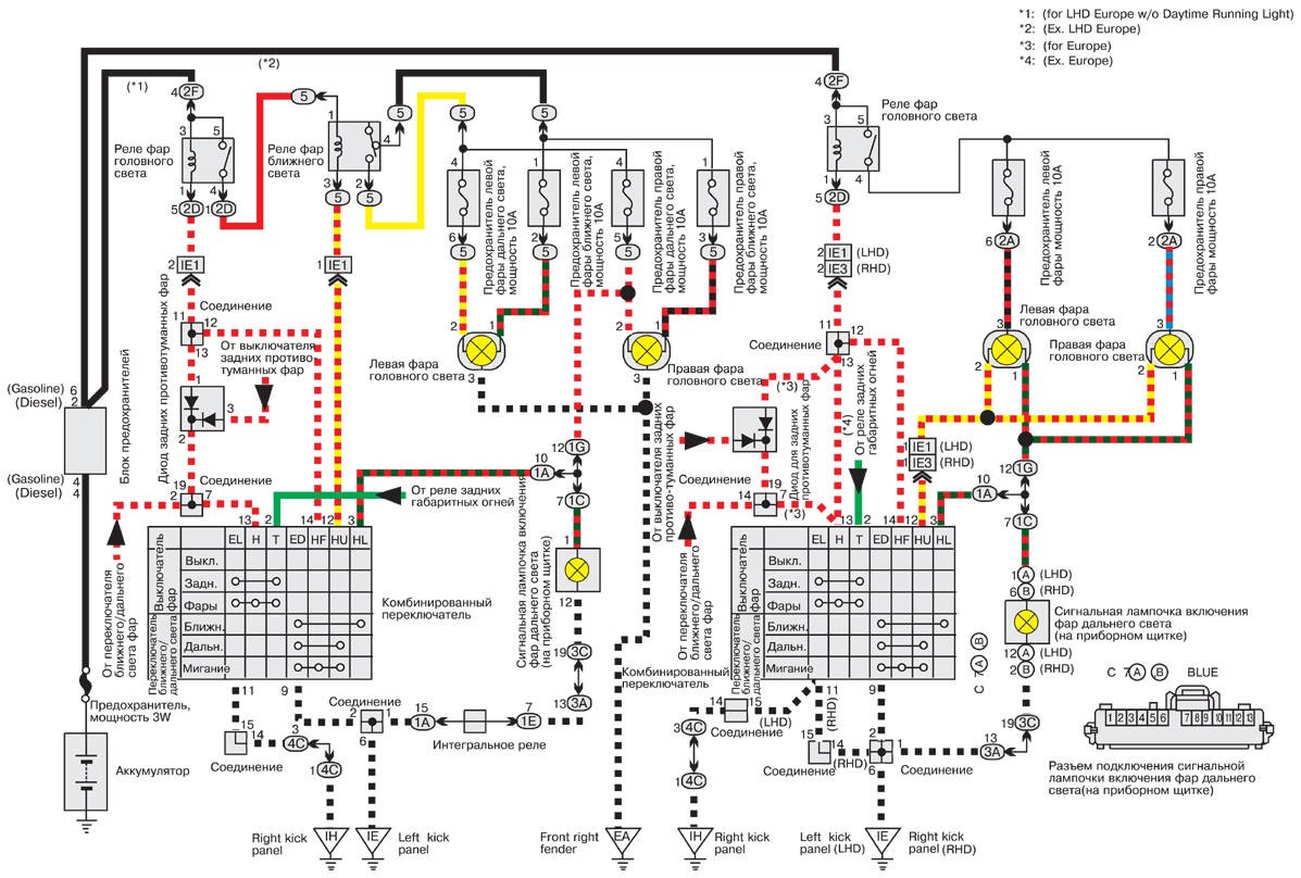
Toyota Corolla: Фары головного света

Фары головного света
Система управления двигателем 4Е
Система управления двигателем 4Е ...
Указатели поворотов
Указатели поворотов ...
Другое на сайте:
Система контроля над выделением паров топлива из топливной системы
ОБЩИЕ СВЕДЕНИЯ
МОДЕЛИ С КАРБЮРАТОРНЫМ ДВИГАТЕЛЕМ
Идентификация
соединений шлангов угольного фильтра
Проверка
ПОРЯДОК ВЫПОЛНЕНИЯ
1. Если Вы считаете, что система неисправна, отсоедините шланги ...
Заднее сиденье - Шарнирные петли неразрезной спинки заднего сиденья
Снять или отсоединит.
ПОРЯДОК ВЫПОЛНЕНИЯ.
1. Снять крепления коврика за спинкой сиденья..
2. Вынуть шплинт из шарнира..
3. Наружный вкладыш шарнира (вынимается движением внутрь)..
4. Опорный шип ...
Регулировка зеркал - электрическое складное зеркало
ЭЛЕКТРИЧЕСКОЕ СКЛАДНОЕ ЗЕРКАЛО*
Для складывания наружных зеркал заднего вида к боковинам кузова нажмите кнопку
электрического складного зеркала.
Складывание зеркал осуществляется при включенном ...
