Nissan Sunny: Диагностика, разборка и регулировка карбюратора
ОБЩИЕ СВЕДЕНИЯ
Перед тем как делать вывод о неисправности карбюратора проверьте установку зажигания, зазоры в свечах и в клапанах, компрессию в цилиндрах.Если в этих проверках причина неудовлетворительной работы двигателя не обнаруживается, то карбюратор надо снять для очистки и ремонта.
Разборка карбюратора требуется как правило очень редко. В большинстве случаев требуется лишь чистка жиклеров и внутренних каналов.
Разборка
ПОРЯДОК ВЫПОЛНЕНИЯ
1. Отсоедините пружину от дроссельной заслонки и проверьте износ рычага ускорительного насоса.
2. Снимите пружину, пружинное и стопорное кольца и снимите рычаг.
3. Отсоедините шток воздушной заслонки.
4. Отверните винты и осторожно снимите верхнюю секцию корпуса.
5. Проверьте наличие загрязнений в поплавковой камере.
6. Снимите первую пружину ускорительного насоса, стопорное кольцо, фильтр и достаньте шарик.
7. Отверните заглушку и достаньте вторую пружину ускорительного насоса, противовес (обратный клапан) и шарик.
8. Достаньте поршень насоса и проверьте износ поршня и цилиндра.
9. Выбейте ось поплавка, снимите поплавок, игольчатый клапан и прокладку поплавковой камеры (на некоторых карбюраторах седло игольчатого клапана не снимается).
10. Перед разборкой запомните расположение всех жиклеров.
11. Выверните все топливные и воздушные жиклеры из обеих камер, воздушные жиклеры холостого хода вторичной камеры выворачивать запрещается.
12. Выверните заглушки и жиклеры холостого хода из средней секции корпуса.
13. Отверните винты и снимите малые диффузоры, достаньте эмульсионные трубки.
14. Выверните главный жиклер первичной камеры из стенки поплавковой камеры.
15. Выверните главный жиклер вторичной камеры.
16. Удалите ограничительную втулку и заверните винт до касания с отверстием, подсчитав число оборотов.
17. Выверните винт полностью.
18. При необходимости можно вывернуть катушки клапанов, осторожно достаньте уплотнители и пружины.
19. Проверьте катушки, – при подаче 12В плунжеры должны втягиваться.
20. На автомобилях с нейтрализатором при необходимости можно снять клапан поддержания состава смеси, для чего отсоедините провод, отверните винты и достаньте клапан.
21. Прочистите жиклеры с применением специальных средств (сжатым воздухом продувать не рекомендуется, так как можно повредить диафрагмы карбюратора).
22. Промойте детали корпуса.
23. Проверьте искривление разъемных плоскостей секций корпуса.
24. При необходимости снятия детали электрооборудования карбюратора отсоедините провод этой детали от разъема.

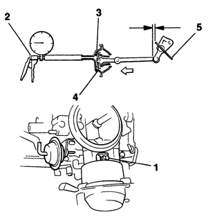
25. Для этого тонкой отверткой (1, 4) отведите язычок вывода (5) и протолкните вывод с проводом (2), предварительно снимите стопорное кольцо в задней части разъема.
26. Обозначьте каждый провод.
27. При сборке замените изношенные детали и весь комплект прокладок и уплотнителей.
28. Сборка выполняется в обратном порядке.
29. Запрещается затягивать жиклеры большим усилием.
30. Перед установкой карбюратора выполните необходимые регулировки.
Регулировка оборотов холостого хода и качества смеси См. подраздел 2.2.2.
Регулировка уровня топлива в поплавковой камере

Стрелкой указано
смотровое окно в корпусе карбюратора.
Предупреждение Уровень топлива в поплавковой камере можно проверить через смотровое окно. На холостом ходу уровень должен находиться между двумя метками.
ПОРЯДОК ВЫПОЛНЕНИЯ
1. Регулировка уровня сводится к следующему.
2. Приподнимите и опустите поплавок на игольчатый клапан и измерьте расстояние между поплавком и плоскостью корпуса карбюратора.
3. Если расстояние отличается от нормы, то отрегулируйте, осторожно подгибая рычаг оси.
4. Переверните корпус карбюратора и проверьте расстояние между нижним краем поплавка и разъемной плоскостью.
5. Если расстояние отличается от нормы, то отрегулируйте, осторожно подгибая язычок ограничителя.
Регулировка угла открытия дроссельной заслонки
ПОРЯДОК ВЫПОЛНЕНИЯ
1. Отверните три винта и снимите термоэлектропривод и кольцо.
2. Переверните карбюратор, приоткройте дроссельную заслонку и переведите рычаг повышенных оборотов холостого хода на вторую ступень кулачка. Из-за регулировочного винта заслонка будет немного приоткрыта.
3. Убедитесь, что воздушная заслонка закрыта полностью.

4. Переведите рычаг повышеннх оборотов холостого хода на вторую ступень кулачка.

5. Сверлом проверьте зазор (А) между дроссельной заслонкой и стенкой камеры.
6. При необходимости выставьте зазор, вращая регулировочный винт.
7. Установите кольцо и термоэлектропривод.
8. Совместите метки на крыше привода и на корпусе воздушной заслонки, затяните винты.

Регулировка воздушной
заслонки
1. Язычок
2. Вакуумный насос
3. Пневмопривод
4. Диафрагма
5. Зазор
ПОРЯДОК ВЫПОЛНЕНИЯ
1. Потяните за тягу и полностью закройте воздушную заслонку.
2. Полностью втолкните шток в диафрагму действуя отверткой, или создав в диафрагме разрежение.
3. Проверьте сверлом зазор между воздушной заслонкой и стенкой камеры (при температуре ниже 5° С в качестве контрольного используйте значение зазора для 1-го положения, выше 16,5° С – для 2-го положения).
4. При необходимости отрегулируйте зазор подгибанием язычка.
Снятие и установка карбюратора
Снятие
ПОРЯДОК ВЫПОЛНЕНИЯ
1. Отсоедините батарею от массы и частично слейте охлаждающую жидкость.
2. Снимите воздушный фильтр.
3. Отсоедините трос дроссельной заслонки.
4. Отсоедините разъемы ...
Датчики и клапаны карбюратора
Снятие и установка ДАТЧИК ДАВЛЕНИЯ НАПОРА
ПОРЯДОК ВЫПОЛНЕНИЯ
1. Датчик смонтирован на левом колпаке подвески.
2. Отсоедините батарею от массы.
3. Отверните винты приподнимите датчик и отсоедини ...
Другое на сайте:
Проверка величины усилия при повороте рулевого колеса на неподвижном
автомобиле
1. Расположите автомобиль на ровной горизонтальной площадке и установите управляемые
колеса в положении прямолинейного движения.
2. Увеличьте частоту вращения коленчатго вала двигателя до 900 - 110 ...
Проверка уровня жидкости в автоматической трансмиссии (обслуживание через каждые
15000 км или 6 месяцев)
ПОРЯДОК ВЫПОЛНЕНИЯ
1. Совершите короткую поездку, чтобы прогреть трансмиссионную жидкость до рабочей
температуры, после чего установите автомобиль на ровной площадке. Уровень трансмиссионной
жидк ...
Замена охладителя масла (дизельные двигатели)
ПОРЯДОК ВЫПОЛНЕНИЯ
Детали системы
смазки дизельного двигателя 1 – маслосливная пробка; 2 – уплотнительное кольцо;
3 – масляный картер; 4 – болт крепления картера; 5 – прокладка картера; 6 – ма ...
